第一则新闻来自于科锐(CREE),这是一家知名的LED照明和半导体产品制造商。他们推出了一个颠覆传统的LED灯泡系列,并且相信这系列的零售价位将提高其客户的产品接受度。该公司声称新型Cree灯泡系列的设计寿命达25,000小时,零售价格为12.97美元,可用于取代60瓦(W)暖光照明白炽灯泡,其耗电相较于传统白炽灯节省84%。此外,对于消费者来说更重要的是,Cree还声称如果把家中五个最频繁使用的白炽灯泡更换为Cree的LED灯泡,消费者每年能节省的电费高达61美元(折合新台币约1,780元)。
不仅如此,Cree还进一步拓展行销通路,让家得宝(The Home Depot)连锁店成为此类LED灯泡的独家供货管道,此举可以确保一般大众能够在离家很近的地方购买这些LED灯泡,并能够得到充足的供应来源。
第二则新闻则是著名的旧金山海湾大桥(San Francisco Bay Bridge)的悬挂区块,在过去18个月里,照明设计公司从桥塔和悬索的顶端到桥面共悬挂两万五千颗LED灯。该专案由一家名为BayLights的公司负责推动,该公司创立不断变化和更替的演算法使LED照明充满活力,该公司对每盏灯进行个别控制,让其产生的照明图案在2年的专案期内将是独一无二。照明系统由飞利浦(Philips)子公司色彩动力(Color Kinetics)开发,其设计耗电较传统(非LED型)解决方案减少85%。该专案由Philips Color Kinetics提供的专用LED是具有4,200K相关色温的eWFlexSLX产品。
上述这两个事件展现LED照明输出(以每瓦流明(lm/W)来衡量)领域技术的进步,以及因LED灯泡安装寿命长,所带来的年度电能节省效果而带来的商业性。
LED灯泡具多重优势逐步取代CFL/白炽灯泡
毫无疑问的,过去10几年来,LED技术获得了长足进展,其亮度更高、效率也愈来愈好、使用时间更长,同时成本亦不断降低,这些都源自散热、封装和工艺的进步。与白炽灯泡不同的是,LED没有灯丝,不会烧坏,并且是发出较冷的光。
大功率、高亮度(HB)LED输出光已经超越关键里程碑100lm/W,有的制造商宣布在实验室中已可制造大于230lm/W的输出光。另一个优点是LED的使用寿命长,白色LED灯泡使用寿命至少是5万小时,然而,白炽灯的寿命大约是1,000?2,000小时。
LED照明市场快速成长的主要原因是LED照明耗电相对于传统照明大幅度降低。与白炽灯照明相比,LED照明不到20%的用电量就能够提供同样的亮度(以流明表示)。正如表1所示,LED照明有很多优点,但是也有一些缺点。LED照明的优点包括使用寿命比白炽灯远高出几个层级,大幅度降低换灯泡的成本。LED灯泡使用旧有的交流矽控整流器(Triode for Alternating Current,TRIAC)调光器便能够调光,这也是LED灯泡一个很大的优势,特别是在取代型灯泡应用中。

高功率驱动IC把关电压/电流 LED照明系统可靠度提升
不仅如此,LED灯能够即时点亮,不像节能萤光灯(CFL)需要预热时间,而LED灯对功率周期不敏感,这也与节能萤光灯不同。最重要的是,LED照明装置不含任何有害材料,所以不须要处理或弃置这些有害物质,而节能萤光灯则采用有害的水银气体才能工作。最后,LED灯泡可以实现非常小的外形封装,而其他灯泡却做不到。
以上种种因素造就LED灯泡可用在多种商业应用的优势,例如工厂的顶棚照明、大桥和大楼的室外建筑照明,以及体育场和其他大型活动场地等照明应用。
选择适用驱动ICLED受损害风险降低
LED是一个电气等效(ELectrical Equivalent)的二极体,严格说来,它便是由电流驱动的元件。若以合适的电流驱动LED,即可获得一定的发光效率(lm/W)。若供电电流过小,LED灯泡就无法提供全光输出。对于单个LED灯泡而言,这看起来不是大问题,但是如果同时有很多LED灯泡串联起来,在没有均匀的电流支援下,输出光将会有明显的变化。
当然,LED灯泡还须要克服固有的正向电压降,这与LED类型以及终端装置的配置有关。对于白光LED,其正向电压降大约是3.5伏特(V),但是在高温时会大一些。结果显示,LED正向电压降与输入电源有关。在不同的LED链配置下,例如,串联(LED正向电压降累积)、并联(LED电流累积),或者串联起来的多个并联链(LED正向电压和电流累积),LED正向电压需要多种转换架构,不过,这将会使整体电路更加复杂。
以上简单叙述LED灯泡正常工作时需要什么条件,那么,如果出现对其工作或者驱动积体电路(IC)电流工作有不利影响的因素,结果会如何呢?
答案是,会对LED灯输出亮度产生不利影响,甚至导致严重的后果。这些事件包括过压(在开路LED事件时会出现)以及过电流事件(在短路或者重新插拔LED链时会出现)。当然,较差的散热环境也会对LED灯使用寿命产生不利影响,因此,良好的散热设计也非常关键。
这就显示了哪些因素会损害LED,甚至导致LED及其驱动电路失效。在这些知识基础上,照明系统设计人员应审慎考量LED灯泡设计技术,特别是LED驱动电路的元件选择标准等,从而保护LED不受损害。以下详述各大关键因素。
为LED提供稳定电流
LED驱动IC非常关键,因为该元件要面对各种各样的输入电源,随着应用领域的不同,LED驱动IC设计也各不相同,以把输入电源转化成所需要的电压和电流,实现最佳的LED性能。过压或过流都会对LED使用寿命或光输出造成不利影响,因此,电压和电流越稳定,系统就越可靠。所以,±5%范围内的稳压和稳流有利于延长LED使用寿命,减少使用故障。
LED驱动电路须应对异常瞬变电压
为保护LED不受过压的影响,首先须要求LED驱动IC能够处理比正常工作时更大的瞬变电压。汽车应用环境是一个很好的实例,其负载突降时会达到42伏特,甚至更高。
保护LED不受过热影响
LED照明装置一般较小,没有空间设置散热片,甚至没有风扇进行空气对流散热,因此,须要通过传导来处理大部分散热需求。业界在设计构思阶段就须要考虑良好的散热功能,在此,使用转换效率非常高的LED驱动IC也会有很大的帮助。驱动IC转换效率愈高,转换的能量损失就愈小,产生的热量也就愈少,因此,效率90%以上的LED驱动IC将有助于实现良好的散热设计。
有助于散热的另一个方法,是在LED中采用晶片内温度感测器,如果由系统控制器来监视此温度讯号,那么,控制器便可对系统总电流进行节流,从而减少热量的产生。当然,这样的代价是降低光输出,但这会比整个系统失效好得多。故障状态消失后,便可恢复正常工作。
最后,LED所采用的这些散热方法也可以扩展应用到LED驱动IC,在整个系统层级采用这些方法也是个不错的主意。
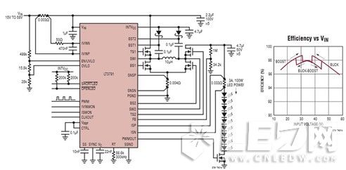
以下以业界高功率LED驱动IC(图1)为例,其具有相当精密的降压升压LED控制器,无论输入电压高于、低于还是等于输出电压,驱动IC都能实现固定输出电压。另外,与复杂低效的单端初级电感转换器(Single-endedPrimaryInductorConverter,SEPIC)不同的是,此四路开关同步单电感架构不仅简化了转换器设计,而且还提高工作效率,从而降低热耗。

图1使用高转换效率LED驱动器的100瓦LED驱动电路,峰值效率高达98.5%
从图1的100瓦照明驱动IC原理图可以看出,在整个输入电压范围内,输出电压/电流达到33.3伏特/3安培(A)时的转换效率高达96%。
该LED驱动IC的关键特性包括高达60伏特的宽广输入和输出工作电压范围。为能够在灯链上实现最佳和均匀的LED输出光,该颗驱动IC还在线路、负载和温度变化时,提供非常严格的±2%输出电压精度,以及±6%的LED电流精度和±6%输入电流精度。
为方便使用,LED驱动IC使用者可采用脉冲宽度调变(PWM)或类比调光,而四路开关升降压架构不仅实现模式之间的无缝转换,而且,在所有的模式中带给LED的杂讯都非常低,包括VOUT接近于VIN的直通模式,这是很难做到的,尤其在这模式期间会出现负载瞬变事件。另外,为提高系统性能和可靠性,更提供输入和输出电流调节功能。此元件将应用于周围温度变化较大的环境中,因此,高阶LED驱动IC更提供-40℃?+150℃之间的工作接面温度范围。
LED效率与其商业价格优势相结合,使其提供超越许多照明应用的特性。本文一开始时提出的两个例子,只是目前世界大量实际应用的一小部分,现在LED照明时代已经来临。







您还未登录!登录后可以发表回复
文章评论 0人参与