LED电源电路大多是由开关电源电路+反馈电路这样的形式构成,反馈电路从负载处取样后对开关电路进行脉冲的占空比调整或频率调整,以达到控制开关电路输出的目的。

LED手电筒驱动电路原理图
市场上出现一种廉价的LED手电筒,这种手电前端为5~8个高亮度发光管,使用1~2节电池。由于使用超高亮度发光管的原因,发光效率很高,工作电流比较小,实测使用一节五号电池5头电筒, 电流只有100mA左右。非常省电。如果使用大容量充电电池,可以连续使用十几个小时,笔者就买了一个。从前端拆开后,根据实物绘制了电路图,如图所示。

LED手电筒驱动电路
工作原理:
接通电源后,VT1因R1接负极,而c1两端电压不能突变。VT1(b)极电位低于e极,VT1导通,VT2(b)极有电流流入,VT2也导通,电流从电源正极经L、VT2(c)极到e极,流回电源负极,电源对L充电,L储存能量,L上的自感电动势为左正右负。经c1的反馈作用,VT1基极电位比发射极电位更低,VT1进入深度饱和状态,同时VT2也进入深度饱和状态,即Ib>Ic/β(β为放大倍数)。随着电源对c1的充电,C1两端电压逐渐升高,即VTI(b)极电位逐渐上升,Ib1逐渐减小, 当Ib1<=Ic1/β时,VT1退出饱和区,VT2也退出饱和区,对L的充电电流减小。此时.L上的自感电动势变为左负右正,经c1反馈作用。VT1基极电位进一步上升,VT1迅速截止,VT2也截止,L上储存的能量释放,发光管上的电源电压加到L上产生了自感电动势,达到升压的目的。此电压足以使LED发光。
LED节能灯电路原理电路图

LED节能灯电路原理电路图
8W LED 驱动应用电路示电图(输入电压为85 至264V)
下图显示的是NCP1015 在隔离型1 W-8 W 范围AC-DC LED 照明应用的电路示意图。值得一提的是,NCP1015 同样可用于非隔离型(电路中不含高频变压器)1 W-8 W 范围的AC-DC LED 照明应用,电路中可以采用抽头(tapped)电感来提高MOSFET 工作的占空比,并改善系统能效及电路性能。

8W LED 驱动应用电路示电图(输入电压为85 至264V)
常见双管节能灯电路原理图

双管节能灯电路原理图
采用可控硅的电容降压LED驱动电路图
图所示为采用可控硅的电容降压驱动电路。在该电路中,可控硅SCR和R3组成保护电路,当流过LED的电流大于设定值时,SCR导通一定的角度,从而对电路中的电流进行分流,使LED工作于恒流状态,从而避兔LED因瞬间高压而损坏。

图 采用可控硅的电容降压LED驱动电路
采用压敏电阻的电容降压LED驱动电路图
图所示为一个实用的采用电容降压的LED驱动电路9,该电路与目前大部分应用电路的不同之处在于连接有压敏电阻(也可以是瞬变电压抑制 二极管),压敏电阻(或瞬变电压抑制二极管)能在电压突变的瞬阔(如雷电、大用电设各启动等)有效地将突变电流泄放,从而保护LED和其 他晶体管。瞬变电压抑制器的响应时间一般为纳秒级。

图 电容降压的 LED电路
在图中,电容C1的作用是降压和限流;VD1~VD4的作用是整流,用于将交流电整VD1~VD4可选择1N4007系列的整流二极管。C2、C3的作用为滤 波,用于将整流后的脉动直流电压滤波成平稳的直流电压。C2、C3的耐压应根据负载电压而定,一般为负载电压1.2倍,其电容容量视负载电流的大小而定。压敏电阻Rv(或瞬变电压抑制二极管)的作用是将输入电源中瞬间的脉冲高压对地泄放掉,从而保护LED不被瞬间高压击穿。
LED串联的数量视其正向导通电压(VF)而定,在220V交流电路中最多可以达到80个左右。电容的耐压一般要求大于输入电源电压的峰值,在220V/50Hz的交流电路中,可以选择耐压为400V以上的涤纶电容或纸介质电容。
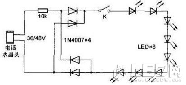
电话线供电LED灯电路图
又称免电灯(即网上卖家俗称的缅甸灯),因为它采用普通家用固定电话的进线电压做电源,无需电池或交流市电,把尾部的水晶头插入电话分机接口即可照明,不用另交电费,也不用担心停电。此外还能兼作电话来电闪烁灯.提醒听力不太好的老年人及时接电话,因电话摘机后LED灯会熄灭,还能帮你及时发现电话是否被他人盗打,同时也具有一定的防雷击保护作用。不过由于该产品使用的是电话所属的电信机房馈电电源,使用时一旦索取电流过大难免会影响电话拨打和传真收发,特别是ADSL宽带用户拨号上网时容易造成频繁掉线。图1是电话线LED灯电路工作原理图,36V或48V的电话线路直流电压经10kΩ限流电阻并由4个二极管(或整流桥)作极性变换后加在LED上,当电话馈电电压为36V时,实测工作电流约1.2mA,亮度偏低,把限流电阻换成5.6kΩ时工作电流升为2.1mA:亮度稍微有些增加。

考虑到电话线LED灯对上网存在不利影响,不能经常接在电话线上,笔者又对该灯进行了一番改造,改造后的电路原理图如图2所示,把中间的6颗LED改成并联,同时增加一块3.6V的手机锂离子电池,平时使用内置的新增锂电工作,当限流电阻为5.6Ω时,工作电流约120mA,亮度比较令人满意。紧急情况下仍可采用插入电话分机接口照明,改造后的工作电流约4.6mA,亮度还算说得过去。

自带铅酸蓄电池充电LED应急灯电路图
根据实物画出的电路工作原理图如图所示,220V交流市电经电容降压、二极管整流后给铅酸蓄电池充电,红色LED作充电指示。充好电后使用时闭合按钮开关K,将首先接通3颗彩色闪烁LED,发出梦幻般变化莫测的七彩光芒,在夜间平添一些生活乐趣,再按一下开关K则关闭彩色闪烁LED,接着再按才会接通24颗并联的高亮LED,由于数目较多,照明效果很好。
当铅酸电池电压为4V时,实测彩灯工作电流约60mA,高亮LED电流竟达600多mA。这样大的电流不仅使得每次充满电后照明时间不会太长,而且会对电池内部结构造成损伤,缩短使用寿命,因此必须给高亮LED串入一个小阻值限流电阻,经多次试验选定1.2Ω时工作电流最终降为320mA,而亮度变化不太明显,因该款灯改动不大,改造后的电路原理图省略。

通过以上剖析发现,市场上出售的各种LED灯电路大多过于简单,虽说价格十分便宜,但在客观上仍会造成能源浪费,只有经过一番合理改进,才能既保留它经济便携的优点,又有效地提高使用安全性和可靠性。
白光LED1.5V手电筒电路图
白光LED的发光效率高,正在成为新光源。由于白光LED的点亮电压较高,大约3.5V,要用三节电池才能点亮,体积大。笔者制作了一个微型升压电路,用一节5号电池升压,即可点亮LED,夜晚照出光可达10米远。整个电路装在一节5号电池的小电筒里,非常方便实用,电路如附图所示。

附图中升压变压器可用节能灯的磁环,用Φ0.21MM的漆包线双线并绕20T,注意同名端不要接错,LED根据需要接1-3只,调整R1使LED最亮,总电流在100MA以内。
照度计电路图
照度计电路图如下所示:

LED日光灯驱动电路图

图:LED日光灯驱动电路图
LED要恒流供电,不然容易老化损坏。可以用LM317,原理是利用317的启探控电压不变,再除电阻,就是恒流值。电路如下图。灯可以根据需求接多少个。改变R1可改变电流,电流=1.25/R1。








您还未登录!登录后可以发表回复
文章评论 0人参与