熟悉LED电路的朋友一定都知道,LED驱动电路一般由下面几个部分构成几个部分构成,包括AC输入、整流,、DC/DC转换、等模块。而保护措施需要根据不同模块做出相应的调整,比如各个模块和电流在受到浪涌的情况下就需要不同有效防护措施。
1、LED驱动电路浪涌保护应用
在交流电源AC输入端浪涌保护方案,可以采用压敏电阻(MOV) 或加气体放电管(GDT/SPG)组合来进行设计。在有接地的情况下,可以采用如图1差共模同时防护的理念,在L-N之间并联压敏电阻(MOV),可以有效地抑制差模所产生的浪涌过电压,起到对后级电路保护,在L/N-PE之间分别采用MOV 或MOV+GDT/SPG对地的电路连接方式可以有效的将共模浪涌能量泄放到大地, 防止浪涌引入到后级电路而造成损坏;如果在电源没有接地线情况下,如图2则在L-N线间可直接并联压敏电阻进行差模防护即可。

图1 AC输入端共模/差模防护电路示意图

图2 AC输入端差模防护电路示意图
为了避勉MOV保护元件在防护失效之后,出现短路失效着火燃烧的可能性,可以使用TMOV或PMOV进行保护。针对上面 MOV交流耐受电压选择至少要高于线路最大交流工作电压1.2~1.4倍,以避勉误动作,在有同时使用放电管GDT/SPG时,放电管击穿电压的下限值必须至少高于电路的最大峰值电压,耐受电流必须根据自身浪涌等级的需求选择不同电流等级,以符合于浪涌测试标准的要求。
2、AC/DC后防护电路示意图

图3 AC转DC后防护电路示意图
在有交流经过整流后,后端直流电路中的芯片对过压和过流非常敏感,芯片易受损坏,如图3所示,经整流之后并联瞬态抑制二极管TVS, 在有过压产生时,TVS会以皮秒级的反应速度动作而把过高电压钳制在一个安全的范围内,从而保护后端芯片免受过压的冲击。异常电流可以通过在电路中设计自恢复保险丝PPTC进行防护,PPTC在过流产生时阻抗能迅速的变大,从而有效地阻断异常电流,直至故障排除PPTC就可继续恢复低阻状态,使电路能继续恢复到正常工作状态。
TVS选用时截止电压一般为正常工作电压峰值的1.2~1.4倍即可,TVS功率大小要根据过压的能量选择合适的等级。PPTC选择要结合电路工作电流及电压进行参考以及环境温度也是影响PPTC选择一个重要关键指标,PPTC的保持电流会随着应用环境温度的升高而降低。PPTC在电路中的位置一般串联在TVS前端,这样PPTC不仅可以对电路芯片有效的起到保护作用同时又可以对TVS管起到一定保护作用,可以大大的提高TVS管的使用寿命。
3、LED直接驱动电路防护示意图

图4 LED直流驱动电路防护示意图
LED发光的亮度是由通过LED的电流大小来控制, 不稳定的电流又极易烧坏LED,如图4在DC/DC模块后可以在电路中串联恒流二极管来获得稳定的电流,,这样不仅可以使LED获得稳定的亮度,,又不至于因电流的不稳定而烧坏LED。低功率的LED灯工作电流一般为10mA到30mA,大功率的LED灯工作电流从200mA到1400mA不等,可以根据所需要的工作电流选择型号合适的恒流二极管。由于LED灯也易遭受到静电放电过压的干扰受损, 因此DC/DC电路后端的LED灯也需要做一定的有效过压防护,一般采用TVS管就可以。
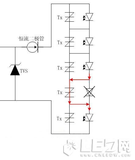
4、LED灯串起防护示意图

图5 LED灯泡防护示意图
当多个的LED灯通过串联的方式进行连接时, 如图5所示,一旦出现LED灯出现失效开路故障,整个LED灯都会因为此故障而影响到其它LED灯正常工作,为了解决这个问题, 可以针对每个LED灯上并联一个防开路的LED保护器件Tx,这样就可充分的提高每个LED的使用效率,当单个LED出现失效开路故障时, 与之并联的LED开路保护器件Tx会立即导通, 使之可持续的维持处于通态,从而保证了电路中其它串联的LED不因单颗LED的开路故障而熄灭,但此防护措施成本相对比较高。
综上所述, LED驱动电路一般由AC输入、整流,、DC/DC转换、等模块组成,从而一个LED驱动电路大致整体的防护方案可以参考如图6所示:

图6 LED驱动电源整体防护示意图
当处于实际的应用中时,影响浪涌保护元件选择的因素非常多,雷击浪涌测试等级、芯片参数、工作电压、工作环境等都是必须考虑的问题。所以在为LED驱动电源设计防护时,我们就需要对诸多因素进行考虑,只有综合多方情况仔细考量,才能有目的性的设计出能够充分发挥作用的保护方案。







您还未登录!登录后可以发表回复
文章评论 0人参与