1 交流电源指示灯
交流电源指示电路如图1所示。该电路只要连接220V/50Hz的交流供电线路,LED就会被点亮,指示电源接通。限流电阻R的阻值为220V/IF。
图1 交流电源指示灯电路

2 交流开关指示灯
用LED作白炽灯开关指示灯的电路如图2所示。当开关断开灯泡熄灭时,电流经R、LED 和灯泡EL形成回路,LED亮,方便人们在黑暗中找到开关。此时曲于回路中的电流很小,灯泡是不会亮的。当接通开关时,灯泡被点亮,而LED则熄灭。
图2 自炽灯开关指示灯电路

3 交流电源插座指示灯
图3所示是用双色(共阴极) LED作交流电源插座指示灯的电路。插座的供电由开关S控制。当红光LED亮时,插座无电;当绿光LED亮时,插座有电。

图3 交流电源插座指示灯电路
4 保险管座指示灯
图4所示为 LED用作工厂设备配电箱保险管座指示灯的电路。当保险管完好时,LED不亮;当保险管熔断时,LED会被点亮,以指示用户是哪一个熔断器已被烧断,以便更换。这对于用肉眼无法观察好坏的瓷芯式熔断器来说是非常方便的。

图4 保险管座指示灯电路
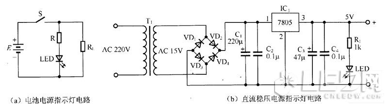
5 直流电源指示灯
用LED作直流电源指示灯的电路如图5所示。其中,图5(a)所示为电池供电电路的指示电路;图5(b)所示为直流稳压电源的指示电路。在图5(a )中,R=(E一VF)/IF。
图5(b )所示电路由电源降压变压器、桥式整流器和以三端调节器IC1为核心的稳压电路组成,当产生稳定的直流输出时,LED点亮。

图5 直流电源指示灯电路







您还未登录!登录后可以发表回复
文章评论 0人参与