Linear公司的LT3791是同步的四开关升压-降压控制器,可使VIN高于,低于或等于VOUT,效率高达98.5%,输入电压4.7V-60V,输出电压0-60V,电流精度±6%,真彩色PWM和模拟调光,每个IC输入功率100W或大于100W,主要用于汽车前灯/行驶灯和通用.本文介绍了LT3791主要特性,方框图,多种应用电路以及演示板DC1666A主要特性,电路图,材料清单和PCB元件布局图,测试电路图.
The LT®3791 is a synchronous 4-switch buck-boost LED driver controller. The controller can regulate LED current up to 52V of LED string with input voltages above, bow, or equal to the output voltage. The constant-frequency, forced-continuous current mode architecture allows its frequency to be adjusted or synchronized from 200kHz to 700kHz. No top MOSFET refresh switching cycle is needed in buck or boost operation. With 60V input, 60V output capability and seamless transitions between operating regions, the LT3791 is ideal for LED driver applications in automotive, industrial, and even battery-powered systems.
The LT3791 provides input current monitor, LED current monitor, and open or shorted LED fault condition, during which the LT3791 either restarts or latches off.
LT3791主要特性:
4-Switch Single Inductor Architecture Allows VIN Above, Below or Equal to VOUT
Synchronous Switching: Up to 98.5% Efficiency
Wide VIN Range: 4.7V to 60V
Wide VOUT Range: 0V to 60V (52V LED)
±6% LED Current Accuracy: 0V ≤ VLED < 52V
True Color PWM™ and Analog Dimming
LED and Input Current Regulation with Current Monitor Outputs
No Top MOSFET Refresh in Buck or Boost
VOUT Disconnected From VIN During Shutdown
Open or Shorted LED Fault Protection
Capable of 100W or Greater per IC
38-Lead TSSOP with Exposed Pad
LT3791应用:
Automotive Head Lamps/Running Lamps
General Purpose Lighting
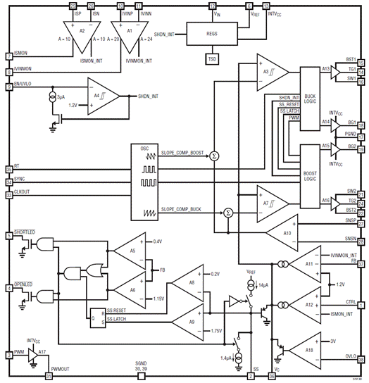
图1.LT3791方框图
图2.LT3791效率98% 50W(25V2A)升-降压LED驱动电路图
图3.LT3791效率98.5% 100W(33.3V3A)升-降压LED驱动电路图
演示板DC1666A
Demonstration circuit DC1666A is a synchronous fourswitch buck-boost LED driver controller. It accepts an input voltage from 4.7V to 60V, and drives up to 25V of LEDs at 2A. DC1666A features both PWM and analog dimming of the LED string. It has an OPENLED flag that indicates when the LED string has been removed and it has a SHORTLED flag that indicates that the output has been shorted to GND. In both cases, the IC remains in control and well protected.
DC1666A features very high efficiency at 300kHz switching frequency and continuous conduction mode (CCM). The synchronous four-switch topology both steps up and steps down voltage while regulating up to 50W of constant LED output current at efficiencies up to 98%. The circuit can be altered for applications requiring over 100W of LEDs.
An optional SYNC terminal is provided for synchronizing to an external clock and CLKOUT terminal provides asource to sync another converter to the internal clock of the LT®3791.
Three sense resistors provide constant output current control and monitoring, peak switch current control, and DC input current limit and monitoring. The ISMON and IVINMON outputs tell the user how much current is flowing through the output and input sense resistors.
Small ceramic input and output capacitors are used to save space and cost. The open LED overvoltage protection uses the ICs constant voltage regulation loop to limit the output to approximately 28.3V if the LED string is opened.







您还未登录!登录后可以发表回复
文章评论 0人参与